嘬鰢老域名出售已備案域名老域名購買,老域名交易,,百度權重域名,高pr域名,百度搜狗收錄域名,外鏈反鏈域名

嘬鰢老域名出售已備案域名老域名購買,老域名交易,,百度權重域名,高pr域名,百度搜狗收錄域名,外鏈反鏈域名...

嘪嘫空間主機國外美國仿牌vps推薦仿牌歐洲荷蘭仿牌服務器,外貿抗投訴服務器,免投訴vps,防投訴主機空間

嘪嘫空間主機國外美國仿牌vps推薦仿牌歐洲荷蘭仿牌服務器,外貿抗投訴服務器,免投訴vps,防投訴主機空間...

噴油器的檢修

噴油器的檢修(1)噴油器電壓檢查。當點火開關置于“ON”位置時,發動機ECU的端子10#、20#、30#、40#、與端子E01間應有9-12V電...

噴油器控制電路

噴油器控制電路各車型噴油器控制電路基本相同,一般都是通過點火開關和主繼電器(或熔絲)給噴油器供電,ECU控制噴油器搭鐵。只是不同發動機噴油器數量、噴射方式、分組...

噴油器的驅動方式

噴油器的驅動方式噴油器的驅動方式可分為:1)電流驅動方式2)電壓驅動方式...

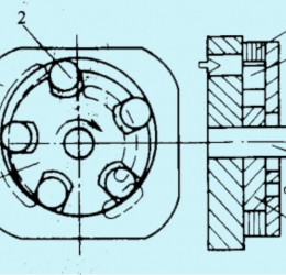
噴油器的構造與工作原理

噴油器的構造與工作原理1)構造:按噴油口的結構不同,噴油器可分為軸針式和孔式兩種。如圖所示:a)孔式噴油器 b)軸針式噴油器 噴油器主要由濾網、線束連...

燃油泵的就車檢查 燃油泵的拆裝與檢測

電動燃油泵的檢測1)燃油泵的就車檢查  (1)用專用導線將診斷座上的燃油泵測試端子跨接到12V電源上;  (2)將點...

電動燃油泵的控制

電動燃油泵的控制1)ECU控制的燃油泵控制電路主要應用在裝用D型EFI和裝用熱式和卡門旋渦式空氣流量計的L型EFI系統中。控制原理:如圖,燃油泵控制ECU根據發...

電動燃油泵的構造:滾拄式電動燃油泵

電動燃油泵的構造:滾拄式電動燃油泵結構:主要由燃油泵電動機、滾柱式燃油泵、出油閥、卸壓閥等組成。原理:  如圖,當轉子旋轉時,位于轉子槽內的滾柱在離心...

電動燃油泵的構造:渦輪式電動燃油泵

電動燃油泵的構造:渦輪式電動燃油泵結構:主要由燃油泵電動機、渦輪泵、出油閥、卸壓閥組成。 原理:油泵電動機通電時,電動機驅動渦輪泵葉片旋轉,由于離心力的作用,使...

電動燃油泵的類型

電動燃油泵的類型按安裝位置不同分為:內置式——安裝在油箱中,具有噪聲小、不易產生氣阻、不易泄漏、管路安裝簡單。外置式——串接在油箱外部的輸油管路中,易布置、安...

冷卻液溫度傳感器結構及其工作原理 水溫傳感器的檢測

冷卻液溫度傳感器結構及其工作原理冷卻液溫度傳感器用于檢測冷卻液溫度的變化,將水溫的變化轉化為電信號,送給ECU作為噴油量、點火正時的修正信號。冷卻液溫度傳感...

第1/6頁